电话:0519-83273780 邮箱:zhudingbao@czchunbo.com

手机网站 在线留言

系统设备

当前位置:首页 > 系统设备 > 掺混系统
  • 掺混系统

掺混系统

关键词:掺混系统
所属分类:掺混系统
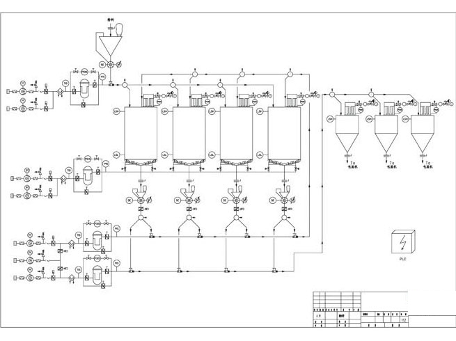
产品概述:近些年来,利用粉料本身的重力产生的流动在料仓中均化粉料是^经济合理的方法。重力均化是靠仓内粉料自身的重力流经料仓进行均化,靠不同回流次数来达到所需的均匀度。如果对均化效果要求不太严格。还可以不经回流而实现连续均化。重力均化仓的容量范围比较宽,可从几千克…
产品详情 图片集锦

  近些年来,利用粉料本身的重力产生的流动在料仓中均化粉料是^经济合理的方法。

  重力均化是靠仓内粉料自身的重力流经料仓进行均化,靠不同回流次数来达到所需的均匀度。如果对均化效果要求不太严格。还可以不经回流而实现连续均化。重力均化仓的容量范围比较宽,可从几千克直至数百吨,均化能力(即某一级份的含量波动与组份值之比)能达到120左右。重力均化仓均化粉料的特点是节能,均化每吨粉料的能耗只有气力均化和机械均化的20%左右,重力均化仓本身没有转动部件,投资少,维护简便。


原理

  粉状物料在仓中的流动图形可分为两类,即整体流动和漏斗流动。在整体流料仓中,粉状物料在料仓的直筒部分流动速度基本上是相同的,而在下部锥体部分中的流动速度是不同的,靠中部^快,靠斗壁处^慢,这种速度梯度使得粉状物料在料仓中得到剪切混合,为使混合效率提高,应设法使料仓的直筒部分粉料的流动也形成速度差。    仓套仓式重力均化就是利用粉料在仓中仅受自身重力影响向下流动时的速度差来均化粉料,粉料在仓中进行薄层均化,由于一般的整体流料仓只在下部仓斗部分产生速度差,因此均化能力不强。


类别

  类别较多,拥有多管式、侧壁式、中心管式、旋叶式、旋叶侧壁式等各种先进的高效、节能、连续式散料掺混料仓技术,对均化管数量、进料口孔型、物料流型、布孔规律等做出了科学合理的设计,同时给出该掺混料仓在工业应用中的使用测定数据。


  • 掺混系统
相关文章
相关产品
  • 掺混系统
    掺混系统

淳博自动化科技
手机网站:

电话:0519-83273780 传真:0519-83273780
E-mail: zhudingbao@czchunbo.com 地址:常州市钟楼经济开发区玉龙南路213号K002 常州市钟楼区高新技术创业服务中心708室
Copyright © 2018 常州淳博自动化科技有限公司 苏ICP备18027453号 版权声明 技术支持:江苏东网科技 [后台管理]

Top